|
|
|
 |
|
 |
 |
|
 |
|
 |
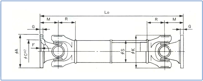
´ÜÀ§:mm |
|
| Á¶ÀÎÆ® Çü½Ä |
DL |
DL-58 |
DL-65 |
DL-75 |
DL-90 |
DL-100 |
DL-120 |
DL-150 |
DL-160 |
DL-180 |
DL-200 |
DL-225 |
| DIN |
373.20 |
373.20 |
273.30 |
287.00 |
287.10 |
287.20 |
287.30 |
287.30 |
287.40 |
287.40 |
287.40 |
| ÃÖ´ëÅäÅ© |
Mb
kgf-m |
11 |
15 |
40 |
70 |
95 |
150 |
350 |
350 |
520 |
520 |
900 |
Mz
kgf-m |
15 |
25 |
55 |
90 |
125 |
185 |
480 |
480 |
670 |
670 |
1170 |
Ä¡¼ö±âÈ£
´ÜÀ§mm |
©¬¡Æ |
30¡Æ |
30¡Æ |
30¡Æ |
25¡Æ |
25¡Æ |
20¡Æ |
20¡Æ |
20¡Æ |
22¡Æ |
22¡Æ |
22¡Æ |
| ¨ªA |
58 |
65 |
85 |
90 |
100 |
120 |
150 |
160 |
180 |
200 |
225 |
P.C.D
B |
47 |
52 |
62 |
74.5 |
84 |
101.5 |
160 |
140 |
155.5 |
175 |
196 |
| ¨ªCH7 |
30 |
35 |
42 |
47 |
57 |
75 |
90 |
100 |
110 |
125 |
140 |
| F |
1.5 |
2 |
2 |
2.5 |
2.5 |
2.5 |
3 |
4 |
3 |
5 |
5 |
| G |
3.5 |
4.5 |
5.5 |
6 |
7 |
8 |
10 |
10 |
12 |
14 |
15 |
| M |
32 |
35.5 |
40 |
45 |
46 |
60 |
80 |
80 |
80 |
80 |
108 |
| P |
127 |
142 |
169 |
188 |
217 |
330 |
335 |
335 |
355 |
355 |
450 |
| R |
36 |
36 |
45 |
58 |
55 |
65 |
75 |
75 |
95 |
95 |
115 |
| SP |
21 |
21 |
32 |
39 |
39 |
45 |
54 |
54 |
60 |
60 |
82 |
| ¨ªS |
32 |
32 |
45 |
50.8 |
63.5 |
76.3 |
90 |
90 |
101.6 |
101.6 |
120 |
| ¨ªK |
52 |
60 |
70 |
86 |
98 |
115 |
145 |
155 |
174 |
190 |
205 |
| N |
4 |
4 |
4 |
4 |
6 |
8 |
8 |
8 |
8 |
8 |
8 |
| ¨ªd |
5 |
6 |
6 |
8 |
8 |
10 |
12 |
12 |
14 |
14 |
16 |
| Á¶ÀÎÆ® ÃÖ¼Ò ±æÀÌ |
Lz
(MIN) |
250 |
250 |
310 |
375 |
410 |
500 |
580 |
600 |
600 |
660 |
730 |
½ºÇÁ¶óÀÎ ½ºÆ®·ÎÅ© §¤1:´Ã¾î³²§¤2:ÁÙ¾îµë |
§¤1 |
14 |
14 |
20 |
25 |
30 |
35 |
40 |
40 |
45 |
45 |
50 |
| §¤2 |
14 |
14 |
15 |
15 |
15 |
20 |
20 |
26 |
33 |
33 |
40 |
| ÃÖ¼Ò Lz Áß·® |
G(kg) |
1.8 |
1.8 |
3 |
5 |
7 |
16 |
28 |
31 |
46 |
48 |
65 |
| ÆÄÀÌÇÁ100mm´ç Áß·® |
GR(kg) |
0.22 |
0.22 |
0.315 |
0.37 |
0.55 |
0.8 |
1.15 |
1.15 |
1.6 |
1.6 |
1.99 |
 |
¨ªd1 |
20 |
25 |
30 |
35 |
40 |
50 |
60 |
70 |
80 |
85 |
100 |
| ¨ªD1 |
35 |
40 |
50 |
55 |
64 |
80 |
105 |
110 |
125 |
130 |
160 |
| L1 |
30 |
40 |
480 |
55 |
63 |
80 |
90 |
110 |
125 |
140 |
160 |
| ¨ªd2 |
35 |
40 |
45 |
55 |
60 |
70 |
90 |
95 |
110 |
120 |
135 |
| L2 |
56 |
3 |
70 |
90 |
90 |
110 |
140 |
160 |
180 |
180 |
220 |
| ºÎÂø º¼Æ® |
Mx§¤ |
M5x14 |
M6x18 |
M6x20 |
M8x25 |
M8x25 |
M10x30 |
M12x40 |
M12x40 |
M14x45 |
M14x45 |
M16x50 |
Á¶ÀÎÆ®·ÎºÎÅÍÀÇ
º¼Æ®»ðÀÔ |
Yes,No |
Yes |
Yes |
No |
No |
Yes |
No |
Yes |
Yes |
Yes |
Yes |
Yes |
|
|
|
 |
 |
|
 |
| |
|
|