|
|
|
 |
|
 |
 |
|
 |
´ÜÀ§:mm |
|
 |
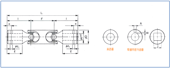
¨ªdH7 |
¨ªD |
§¤ |
l |
F |
L |
|
| DRW-16 |
16 |
32 |
34.5 |
52 |
54 |
458 |
0.63 |
| DRW-20 |
20 |
42 |
37.5 |
62 |
64 |
188 |
1.2 |
| DRW-22 |
22 |
42 |
37.5 |
62 |
64 |
188 |
1.16 |
| DRW-25 |
25 |
50 |
40 |
70 |
80 |
220 |
1.8 |
| DRW-30 |
30 |
60 |
53 |
89 |
97 |
275 |
3.0 |
| DRW-35 |
35 |
60 |
53 |
89 |
97 |
275 |
2.8 |
| DRW-40 |
40 |
80 |
66.5 |
114 |
122 |
350 |
7.0 |
| DRW-45 |
45 |
80 |
66.5 |
114 |
122 |
350 |
5.4 |
| DRW-50 |
50 |
100 |
74 |
135 |
156 |
426 |
14.0 |
| DRW-60 |
60 |
100 |
74 |
135 |
156 |
426 |
13.0 |
|
|
|
|
|
|
|